Interrupteur du moteur kity direct drive HS
Actuellement
27 326
questions dans le
forum électricité
2174
Conseils branchements électrique : Interrupteur du moteur kity direct drive HS
Invité
Bonjour,
J'ai un problème et je trouve pas de solution donc je me renseigne partout.
J'ai un moteur kity direct drive depuis 20 ans, le bouton central est HS donc il faut que je le remplace. J'ai demandé un peu partout, rien à faire pour le trouver.
Je cherche même un réparateur de moteur que je ne trouve pas sur Aix en Provence (Bouche du Rhône).
Alors j'ai pensé faire un tableau avec des interrupteurs, mais je n'ai pas de schéma de câblage.
C'est un moteur 6 fils avec une bobine et 3 "bidules" comme des transfo à l'intérieur du boîtier, donc je suis coincé là aussi.
Je ne suis pas assez calé pour comprendre, mais si on pouvait m'expliquer je pense que je pourrai le faire.
Le bouton c'était l'étiquette : kraus&naimer bg10.
Merci d'avance à celui qui me pourra me répondre et me donner une solution.
Richard
J'ai un problème et je trouve pas de solution donc je me renseigne partout.
J'ai un moteur kity direct drive depuis 20 ans, le bouton central est HS donc il faut que je le remplace. J'ai demandé un peu partout, rien à faire pour le trouver.
Je cherche même un réparateur de moteur que je ne trouve pas sur Aix en Provence (Bouche du Rhône).
Alors j'ai pensé faire un tableau avec des interrupteurs, mais je n'ai pas de schéma de câblage.
C'est un moteur 6 fils avec une bobine et 3 "bidules" comme des transfo à l'intérieur du boîtier, donc je suis coincé là aussi.
Je ne suis pas assez calé pour comprendre, mais si on pouvait m'expliquer je pense que je pourrai le faire.
Le bouton c'était l'étiquette : kraus&naimer bg10.
Merci d'avance à celui qui me pourra me répondre et me donner une solution.
Richard
Astuces 1 d'un internaute à cette question
Invité

Interrupteur du moteur kity direct drive HS
Invité
D'après le nom c'est un moteur allemand.
Essayer de chercher sur un site allemand qui vous donnera une adresse en France où vous trouverez la pièce que vous cherchez. Pour chercher sur un site allemand c'est facile il faut taper "traduire en ligne" sur un moteur de recherche et vous tapez votre texte en français, puis vous faites un copier / coller sur la traduction.
Ça sert à ça l'Europe !
Essayer de chercher sur un site allemand qui vous donnera une adresse en France où vous trouverez la pièce que vous cherchez. Pour chercher sur un site allemand c'est facile il faut taper "traduire en ligne" sur un moteur de recherche et vous tapez votre texte en français, puis vous faites un copier / coller sur la traduction.
Ça sert à ça l'Europe !
Astuces 2 d'un internaute à cette question
Invité

Interrupteur du moteur kity direct drive HS
Invité
À mon humble avis, il sera difficile de se faire aider sans voir l'appareil et/ou le schéma du branchement initial. Sauf coup de chance énorme qu'un lecteur ait eu exactement le même problème, nous ne sommes pas devins.
Le plus simple serait de voir si vous n'avez pas un bon bricoleur dans votre entourage qui pourrait voir sur place.
Bon courage en tout cas.
Le plus simple serait de voir si vous n'avez pas un bon bricoleur dans votre entourage qui pourrait voir sur place.
Bon courage en tout cas.
Astuces 3 d'un internaute à cette question
Invité

Interrupteur du moteur kity direct drive HS
Invité
Je ne sais pas si vous avez résolu votre problème mais vous pouvez trouver un contacteur pour moteur kity à la Quincaillerie OCTAU à DARNETAL (76161).
Site web kity-rouen.com
Site web kity-rouen.com
Astuces 4 d'un internaute à cette question
Invité

Interrupteur du moteur kity direct drive HS
Invité
Bonjour,
Je ne sais pas si vous avez résolu votre problème, mais je peux vous transmettre le schéma complet du comby kity direct drive, que j'ai réalisé pour la remise en état du coffret de commande avec à l'intérieur 2 relais de puissance et une carte électronique de commande pour les embrayages.
J'ai également fait une mini notice pour le fonctionnement.
Sur ce combi il y a 2 embrayages d'un côté et 1 de l'autre.
Il y a plusieurs contacts qui fonctionnent en même temps suivant la position du sélecteur, je peux vous donner la configuration.
P. S. : c'est un schéma fait main !! Moteur monophasé.
Bon courage.
Je ne sais pas si vous avez résolu votre problème, mais je peux vous transmettre le schéma complet du comby kity direct drive, que j'ai réalisé pour la remise en état du coffret de commande avec à l'intérieur 2 relais de puissance et une carte électronique de commande pour les embrayages.
J'ai également fait une mini notice pour le fonctionnement.
Sur ce combi il y a 2 embrayages d'un côté et 1 de l'autre.
Il y a plusieurs contacts qui fonctionnent en même temps suivant la position du sélecteur, je peux vous donner la configuration.
P. S. : c'est un schéma fait main !! Moteur monophasé.
Bon courage.
03 mai 2013 à 17:48
Astuces 5 d'un internaute à cette question
Interrupteur du moteur kity direct drive HS
Bonjour,
Merci pour votre proposition. Vous pouvez nous faire parvenir vos photos en répondant à ce message (ajouter nouveau fichier, et cocher "des images" et ensuite cliquez sur ajouter fichier), ou en nous les faisant parvenir en pièce jointe par email à l'adresse suivante : images.bricolage@gmail.com
En vous remerciant.
Cordialement. Romana Bricovideo.com Le site de bricolage en vidéo.
Merci pour votre proposition. Vous pouvez nous faire parvenir vos photos en répondant à ce message (ajouter nouveau fichier, et cocher "des images" et ensuite cliquez sur ajouter fichier), ou en nous les faisant parvenir en pièce jointe par email à l'adresse suivante : images.bricolage@gmail.com
En vous remerciant.
Cordialement. Romana Bricovideo.com Le site de bricolage en vidéo.
03 mai 2013 à 17:56
Astuces 6 d'un internaute à cette question
Invité

Interrupteur du moteur kity direct drive HS
Invité
Bonsoir,
Serait-il possible de récupérer les schémas faits par un invité, les schémas complets du combiné Kity Direct Drive qu'il vous a envoyé par e-mail.
En vous remerciant.
Cordialement.
Serait-il possible de récupérer les schémas faits par un invité, les schémas complets du combiné Kity Direct Drive qu'il vous a envoyé par e-mail.
En vous remerciant.
Cordialement.
05 avril 2015 à 20:20
Astuces 7 d'un internaute à cette question
Interrupteur du moteur kity direct drive HS
Bonjour invité du 5 avril,
Malheureusement vous avez mal interprété le message ci-dessus, nous faisions la demande à l'internaute de nous faire parveniru les schémas par email, ce qu'il n'a pas fait, sinon les schémas auraient été mis sur cette page à disposition.
Désolé.
Cordialement.
Malheureusement vous avez mal interprété le message ci-dessus, nous faisions la demande à l'internaute de nous faire parveniru les schémas par email, ce qu'il n'a pas fait, sinon les schémas auraient été mis sur cette page à disposition.
Désolé.
Cordialement.
06 avril 2015 à 00:37
Astuces 8 d'un internaute à cette question
Interrupteur du moteur kity direct drive HS
Bonjour invité du 3 mai,
Serait-il possible de m'envoyer votre schéma maison ?
Cordialement. Chris.
Serait-il possible de m'envoyer votre schéma maison ?
Cordialement. Chris.
21 janvier 2016 à 13:08
Astuces 9 d'un internaute à cette question
Invité

Interrupteur du moteur kity direct drive HS
Invité
Bonjour.
Voir : ventes@krausnaimer.com en donnant la réf du contacteur inscrite dessus.
Prix environ 200 euros HT.
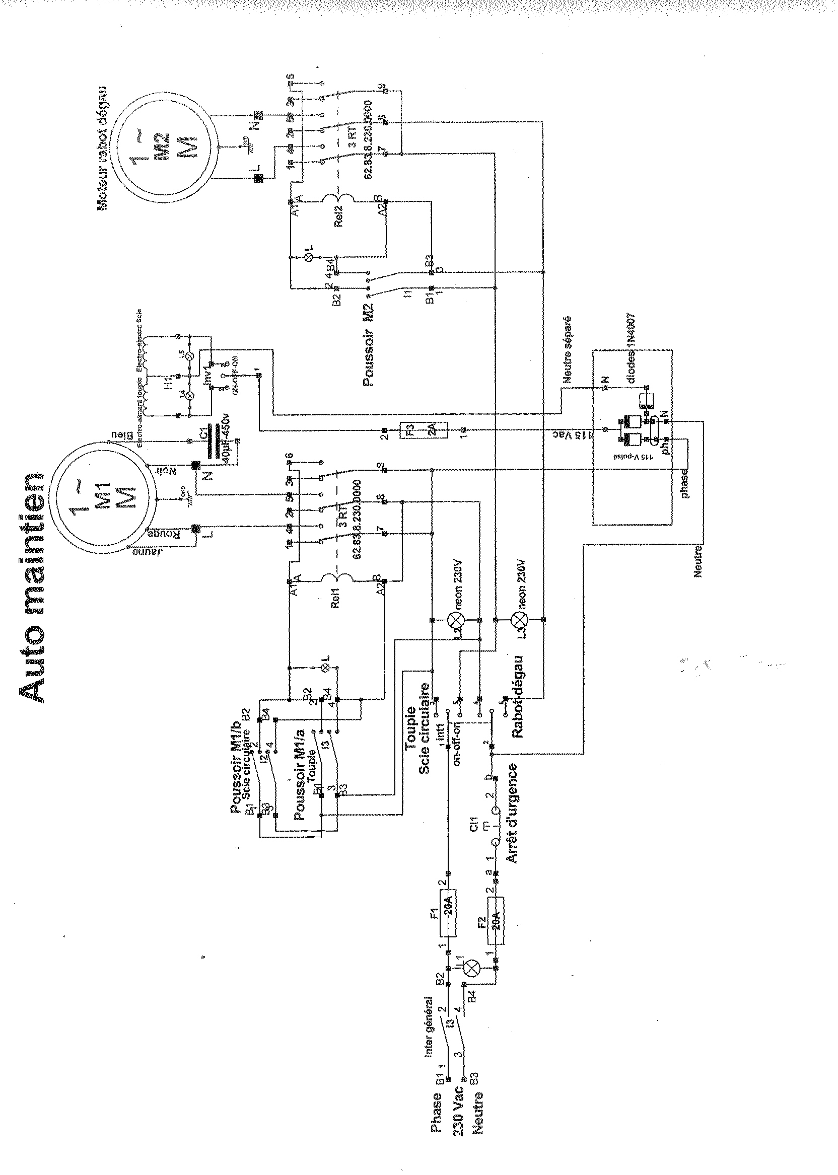
Voir schémas Kity 001 et (Kity 002 en remplacement de) car électroaimant rabot-dégau HS.
kity 001.jpg
kity 002.jpg
Voir : ventes@krausnaimer.com en donnant la réf du contacteur inscrite dessus.
Prix environ 200 euros HT.
Voir schémas Kity 001 et (Kity 002 en remplacement de) car électroaimant rabot-dégau HS.
kity 001.jpg
kity 002.jpg
04 novembre 2017 à 11:21
Astuces 10 d'un internaute à cette question
Interrupteur du moteur kity direct drive HS
Bonjour.
Je viens appeler au secours mon direct drive fonctionne plus depuis que j'ai changé l'interrupteur de sélection d'origine Kraus & Naimer le même mais impossible de le rebrancher.
J'ai pas la même carte électronique c'est une petite rouge que faire ?
Merci.
Je viens appeler au secours mon direct drive fonctionne plus depuis que j'ai changé l'interrupteur de sélection d'origine Kraus & Naimer le même mais impossible de le rebrancher.
J'ai pas la même carte électronique c'est une petite rouge que faire ?
Merci.
24 août 2021 à 17:04
Pour poser une réponse, vous devez être identifié.
Si vous ne possédez pas de compte, créez-en un ICI.
Si vous ne possédez pas de compte, créez-en un ICI.
Questions apparentées dans le forum Électricité
- 1. Schéma raccordement moteur Kity Direct Drive
- N°23460 : Bonjour à tous. Je viens d'hériter d'une Kity Direct Drive, mais j'ai quelques soucis de remise en route de cette machine. Est-ce que quelqu'un aurait le schéma de raccordement du moteur principal (monophasé). Il y a 7...
- 2. Problème machine Kity direct drive
- N°24189 : Bonjour. Ma machine Kity direct drive depuis quelque temps lors de l'arrêt redémarrait aussitôt puis, en insistant, s'arrêtait. Un peu plus tard, elle redémarrait toute seule, ce qui était grave et dangereux. En ce...
- 3. Moteur table Kity et frigo HS
- N°18988 : Bonjour à tous, J'ai un moteur pour une table Kity qui posait des problèmes d’arrêt au bout de 5-10 minutes. Je suspectais le bilame d’être trop vieux et de déclencher la sécurité, donc je me suis en tête de...
- 4. Quel condensateur pour ce moteur électrique
- N°23663 : Bonjour. Je voudrais savoir quel condensateur mettre sur ce moteur électrique, j'aimerais le transformer en 220 V. Il y a beaucoup de contradictions sur le net. Merci de votre réponse.
- 5. Rebrancher moteur électrique Kity
- N°14930 : Bonjour Je ne retrouve plus le branchement des 6 fils de mon moteur Kity. J'avais pourtant pris des photos au démontage, mais elles sont si mauvaises que je ne m'y retrouve plus. Comme il doit s'agir d'un moteur basique, je...
- 6. Quelle valeur de condensateur de démarrage pour un moteur Kity
- N°14998 : Bonjour Merci à tous ceux qui m'ont aidé à faire refonctionner mon moteur de scie, notamment et entre autres Gérard Labobine. Rebrancher moteur électrique Kity Pour mémoire, c'est un moteur Kity, 220 mono, 1cv, 750 W,...
- 7. Branchement condensateur compresseur
- N°18193 : Bonjour, En nettoyant mon compresseur avec de l'eau, j'ai grillé le contacteur à côté du condensateur, alors j'ai tout démonté et je ne sais plus comment rebrancher. N'y connaissant rien en électricité je fais appel à...
- 8. Conseils branchement VMC simple flux
- N°22583 : Bonjour. J'ai ma VMC simple flux qui vient de me lâcher après 15 ans de service, je l'avais arrêté durant les fortes chaleurs car il fait très chaud dans mon plafond ... mais à la reprise ce midi le disjoncteur saute tout...
- 9. Moteur Kity 664 triphasé en monophasé
- N°19384 : Bonjour, Je souhaiterais brancher un moteur de Kity 664 triphasé en monophasé. Petit hic, deux petits fils marrons qui sortent du moteur viennent contrarier ma démarche. Pourriez-vous me dire si je dois en tenir compte ou...
- 10. Problème démarrage moteur et arrêt/relance en cours de marche
- N°25040 : Bonjour à tous. Contexte: Dans mon logement, je suis équipé d'un chauffage par soufflerie, avec un réseau primaire eau/air au niveau de la copropriété qui arrive dans un faux plafond où l'échange de chaleur se fait. A...
Utilisation d'un multimètre >> Consulter la fiche |
Informations sécurité Les Consignes à suivre. >> Consulter la fiche |
Normes Electriques La NF C15-100. >> Consulter la liste |
LA FIN DES LAMPES A INCANDESCENCE >> Consulter l'article |
LE VA ET VIENTFONCTIONNEMENT ET CABLAGE >> Consulter la fiche |
LE TELERUPTEURFONCTIONNEMENT ET CABLAGE >> Consulter la fiche |
Informations sur le forum Électricité
Informations sur le moteur du forum Mentions légalesMentions légales :Le contenu, textes, images, illustrations sonores, vidéos, photos, animations, logos et autres documents constituent ensemble une œuvre protégée par les lois en vigueur sur la propriété intellectuelle (article L.122-4).
Aucune exploitation commerciale ou non commerciale même partielle des données qui sont présentées sur ce site ne pourra être effectuée sans l'accord préalable et écrit de la SARL Bricovidéo.
Toute reproduction même partielle du contenu de ce site et de l'utilisation de la marque Bricovidéo sans autorisation sont interdites et donneront suite à des poursuites. >> Lire la suite













