Onduleur 48V 230VAC endommagé
Actuellement
27 386
questions dans le
forum électricité
27234
Questions Problèmes Électrique : Onduleur 48V 230VAC endommagé
Bonjour.
Je cherche à comprendre la cause de la destruction répétée d’un onduleur 48 V avant d’en racheter un autre.
Onduleur :
48 V nominal
Plage d’entrée annoncée : 40 à 64 V
Puissance nominale : 2000 W
Batteries :
2 batteries LiFePO₄ 51,2 V montées en parallèle
Tension nominale : 51,2 V (environ 58,4 V pleine charge)
Puissance nominale : environ 1100 W par batterie
Courant maximal de charge : 23 A par batterie
BMS intégré
Charge côté AC :
Inférieure à 500 W en fonctionnement normal
Historique des pannes
Première panne :
À la mise sous tension de l’onduleur
Nous avons suspecté un fort courant d’appel (absence de soft-start)
Modification apportée :
Ajout d’un circuit de précharge avec une résistance de puissance de 20 ohms / 50 W
Deuxième panne :
Après environ deux heures de fonctionnement normal
Sans bruit, sans claquement, ni signe extérieur de surchauffe
L’onduleur s’est arrêté définitivement
Mesure effectuée ensuite : court-circuit franc entre le + et le – de l’entrée DC
Points que je ne comprends pas
La tension batterie reste dans la plage spécifiée par le constructeur
La puissance demandée est très inférieure à la puissance nominale de l’onduleur
La panne semble se produire côté entrée DC, sans événement brutal visible
Questions
Est-ce que j'ai loupé une information sur le câblage d'un onduleur et de batteries ? Est-ce l'onduleur qui est trop bas de gamme ?
Le symptôme final (court-circuit interne après quelques heures) correspond-il typiquement à des MOSFETs d’entrée détruits puis soudés ?
Merci par avance pour vos retours et conseils.
Je cherche à comprendre la cause de la destruction répétée d’un onduleur 48 V avant d’en racheter un autre.
Onduleur :
48 V nominal
Plage d’entrée annoncée : 40 à 64 V
Puissance nominale : 2000 W
Batteries :
2 batteries LiFePO₄ 51,2 V montées en parallèle
Tension nominale : 51,2 V (environ 58,4 V pleine charge)
Puissance nominale : environ 1100 W par batterie
Courant maximal de charge : 23 A par batterie
BMS intégré
Charge côté AC :
Inférieure à 500 W en fonctionnement normal
Historique des pannes
Première panne :
À la mise sous tension de l’onduleur
Nous avons suspecté un fort courant d’appel (absence de soft-start)
Modification apportée :
Ajout d’un circuit de précharge avec une résistance de puissance de 20 ohms / 50 W
Deuxième panne :
Après environ deux heures de fonctionnement normal
Sans bruit, sans claquement, ni signe extérieur de surchauffe
L’onduleur s’est arrêté définitivement
Mesure effectuée ensuite : court-circuit franc entre le + et le – de l’entrée DC
Points que je ne comprends pas
La tension batterie reste dans la plage spécifiée par le constructeur
La puissance demandée est très inférieure à la puissance nominale de l’onduleur
La panne semble se produire côté entrée DC, sans événement brutal visible
Questions
Est-ce que j'ai loupé une information sur le câblage d'un onduleur et de batteries ? Est-ce l'onduleur qui est trop bas de gamme ?
Le symptôme final (court-circuit interne après quelques heures) correspond-il typiquement à des MOSFETs d’entrée détruits puis soudés ?
Merci par avance pour vos retours et conseils.
29 janvier 2026 à 10:41
Réponse 1 d'un contributeur du forum-électricité
Onduleur 48V 230VAC endommagé
Bonjour JuLink2001,
Un tel appareil ne se répare pas au tournevis, voire ne se répare pas du tout.
Comprendre la cause de la panne nous échappe de toute façon.
Bas de gamme inclut une fabrication au moindre coût en dimensionnant les composants à leur limite, ce qui influe sur la fiabilité, du moins, c'est ce qu'on peut penser.
Les composants de commutation sont principalement des IGBT.
Bien des équipements électroniques fonctionnent sans problème, mais ce n'est plus de l'électronique domestique. Par exemple, tout ce qui est médical.
On pense aussi aux centaines d'onduleurs (chinois) qui sont au pied des capteurs photovoltaïques sur des dizaines d'hectares et qui tournent 24 h sur 24 quelles que soient les conditions climatiques.
Cordialement.
Citation :Vous aurez du mal à faire le diagnostic car il faudrait disposer du dossier technique de l'appareil, savoir le comprendre, savoir quelles mesures effectuer, et avoir à disposition les composants à changer.
Je cherche à comprendre la cause de la destruction répétée d’un onduleur 48 V avant d’en racheter un autre.
Un tel appareil ne se répare pas au tournevis, voire ne se répare pas du tout.
Comprendre la cause de la panne nous échappe de toute façon.
Bas de gamme inclut une fabrication au moindre coût en dimensionnant les composants à leur limite, ce qui influe sur la fiabilité, du moins, c'est ce qu'on peut penser.
Les composants de commutation sont principalement des IGBT.
Bien des équipements électroniques fonctionnent sans problème, mais ce n'est plus de l'électronique domestique. Par exemple, tout ce qui est médical.
On pense aussi aux centaines d'onduleurs (chinois) qui sont au pied des capteurs photovoltaïques sur des dizaines d'hectares et qui tournent 24 h sur 24 quelles que soient les conditions climatiques.
Citation :C'est possible, mais on n'en sait pas plus et cela n'avance en rien.
Est-ce l'onduleur qui est trop bas de gamme ?
Cordialement.
29 janvier 2026 à 11:33
Réponse 2 d'un contributeur du forum-électricité
Onduleur 48V 230VAC endommagé
Bonjour GL,
Avant tout, merci pour votre réponse.
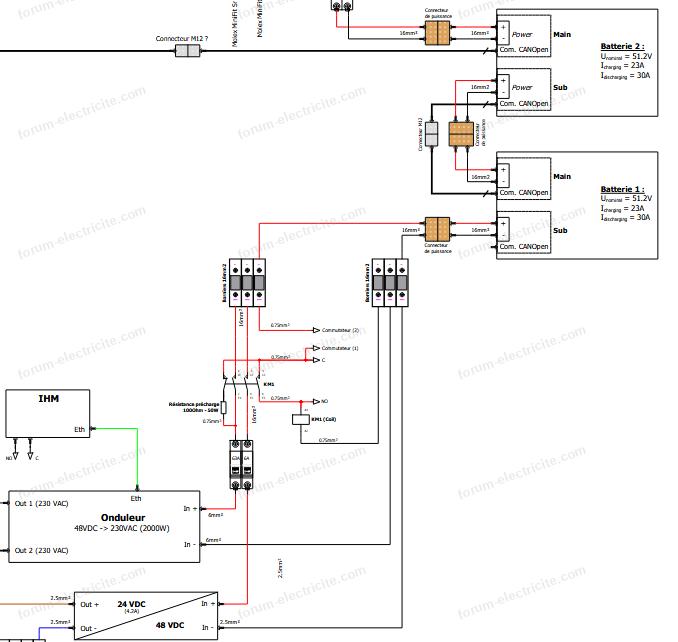
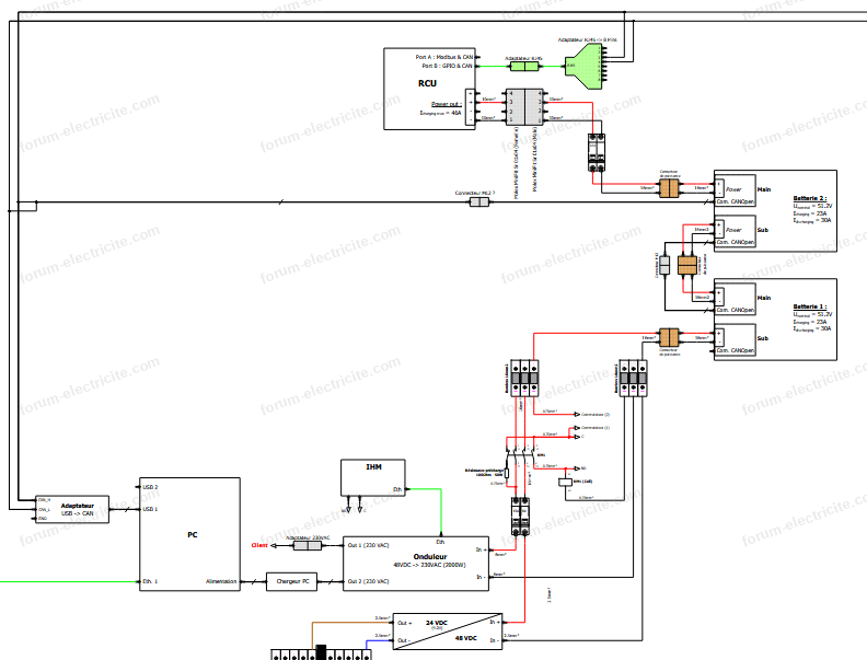
Voici des la doc technique de l'onduleur, la fiche technique de la batterie et le schéma de câblage.
Avec toutes ces infos, est-ce qu'un diagnostic pourrait s'y prêter ?
Merci encore.
Pour agrandir l'image, cliquez dessus.

DC-AC Power inverter 48vdc to 230vac 2000w
Batterybrochure
Avant tout, merci pour votre réponse.
Voici des la doc technique de l'onduleur, la fiche technique de la batterie et le schéma de câblage.
Avec toutes ces infos, est-ce qu'un diagnostic pourrait s'y prêter ?
Merci encore.
Pour agrandir l'image, cliquez dessus.

DC-AC Power inverter 48vdc to 230vac 2000w
Batterybrochure
29 janvier 2026 à 15:21
Réponse 3 d'un contributeur du forum-électricité
Onduleur 48V 230VAC endommagé
Re.
A distance il est difficile d'avoir une vue d'ensemble.
On comprend qu'il y a des batteries et un onduleur autonome. L'absence du synoptique complet en photo ci-dessus ne permet pas de comprendre l'environnement de l'équipement ni son utilité.
Il faudrait vous rapprocher d'une société spécialisée car même à distance on ne peut rien imaginer.
Mis à part qu'il doit y avoir des panneaux solaires pour alimenter l'ensemble.
En labo (ou sur place) avec quelques moyens d'essais et mesures ce serait certainement plus simple.
L'onduleur RS-PRO ne semble pas être du bas de gamme et on ne sait ce qui peut se passer à l'intérieur.
Une séquence d'auto-diagnostic serait bien utile mais peut-être n'est-ce pas prévu.
23 Ah par batterie ne permettra pas une longue autonomie, d'autant plus faible que la puissance débitée est importante.
L'aide de RS-PRO, si elle existe, pourrait peut-être vous renseigner.
Devant l'écran on est plus que très limité.
On constate que les caractéristiques des batteries et de l'onduleur rendent l'assemblage bien dimensionné.
Et on suppose que l'onduleur est hors garantie.
Cordialement.
A distance il est difficile d'avoir une vue d'ensemble.
On comprend qu'il y a des batteries et un onduleur autonome. L'absence du synoptique complet en photo ci-dessus ne permet pas de comprendre l'environnement de l'équipement ni son utilité.
Il faudrait vous rapprocher d'une société spécialisée car même à distance on ne peut rien imaginer.
Mis à part qu'il doit y avoir des panneaux solaires pour alimenter l'ensemble.
En labo (ou sur place) avec quelques moyens d'essais et mesures ce serait certainement plus simple.
L'onduleur RS-PRO ne semble pas être du bas de gamme et on ne sait ce qui peut se passer à l'intérieur.
Une séquence d'auto-diagnostic serait bien utile mais peut-être n'est-ce pas prévu.
23 Ah par batterie ne permettra pas une longue autonomie, d'autant plus faible que la puissance débitée est importante.
L'aide de RS-PRO, si elle existe, pourrait peut-être vous renseigner.
Devant l'écran on est plus que très limité.
On constate que les caractéristiques des batteries et de l'onduleur rendent l'assemblage bien dimensionné.
Citation :C'est possible, car on connait la structure d'un onduleur, mais cela ne suffit pas pour émettre un avis.
Le symptôme final correspond-il typiquement à des MOSFETs d’entrée détruits
Et on suppose que l'onduleur est hors garantie.
Cordialement.
29 janvier 2026 à 17:11
Réponse 5 d'un contributeur du forum-électricité
Vous ne précisez pas le domaine d'emploi de l'équipement, source (qui n'apparait pas sur le synoptique) et charge, mais de toute façon on est démuni concernant ce défaut.
Mosfet ou IGBT sont des composants difficiles à changer vu leur sensibilité aux champs électriques.
Il y a des procédures précises à respecter sous peine de claquage sans bruit.
En plus il y a des trous métallisés, ce qui nécessite un système de dessoudage.
C'est fichu.
Cordialement.
Onduleur 48V 230VAC endommagé
Citation :On ne sait pas quelle contrainte a pu subir le composant, surtension ou surintensité transitoires. La commande peut aussi être en cause.
Quelle pourrait être la cause ?
Vous ne précisez pas le domaine d'emploi de l'équipement, source (qui n'apparait pas sur le synoptique) et charge, mais de toute façon on est démuni concernant ce défaut.
Mosfet ou IGBT sont des composants difficiles à changer vu leur sensibilité aux champs électriques.
Il y a des procédures précises à respecter sous peine de claquage sans bruit.
En plus il y a des trous métallisés, ce qui nécessite un système de dessoudage.
C'est fichu.
Cordialement.
29 janvier 2026 à 18:15
Réponse 6 d'un contributeur du forum-électricité
Onduleur 48V 230VAC endommagé
Bonjour GL,
Merci pour votre réponse.
Nous pensons actuellement que la cause des pannes viennent de la mise sous tension et la mise à l'arrêt de notre système. Nous souhaitons industrialiser notre système donc les composants sont à l'intérieur d'une structure, nous ne pouvons pas nous permettre de démonter chaque fois les plaques pour allumer/éteindre les différents éléments de puissance.
Voici les procédés :
Mise sous tension :
Je connecte les batteries à l'entrée DC de l'onduleur via un circuit de pré-charge.
Après quelques secondes, en simultané (relais commandé) j'ouvre le circuit de précharge et connecte les batteries directement à l'onduleur, et je mets à ON l'onduleur qui va alimenter les charges côtés AC.
Mise hors tension :
J'ouvre le circuit côté DC, ce qui éteint mon onduleur et l'alimentation des charges AC.
Est-ce envisageable à votre avis/expérience sur le sujet ? Y a-t-il des risques dans ces procédures ?
Je vous remercie de votre aide.
Merci pour votre réponse.
Nous pensons actuellement que la cause des pannes viennent de la mise sous tension et la mise à l'arrêt de notre système. Nous souhaitons industrialiser notre système donc les composants sont à l'intérieur d'une structure, nous ne pouvons pas nous permettre de démonter chaque fois les plaques pour allumer/éteindre les différents éléments de puissance.
Voici les procédés :
Mise sous tension :
Je connecte les batteries à l'entrée DC de l'onduleur via un circuit de pré-charge.
Après quelques secondes, en simultané (relais commandé) j'ouvre le circuit de précharge et connecte les batteries directement à l'onduleur, et je mets à ON l'onduleur qui va alimenter les charges côtés AC.
Mise hors tension :
J'ouvre le circuit côté DC, ce qui éteint mon onduleur et l'alimentation des charges AC.
Est-ce envisageable à votre avis/expérience sur le sujet ? Y a-t-il des risques dans ces procédures ?
Je vous remercie de votre aide.

05 février 2026 à 11:29
Réponse 7 d'un contributeur du forum-électricité
Onduleur 48V 230VAC endommagé
Bonjour JuLink2001.
Avant d'industrialiser le système il faut le mettre au point bien évidemment.
Si vous êtes dans le métier avec les moyens d'un laboratoire ce devrait être faisable.
Le problème est que l'observation extérieure du système ne permet aucune investigation.
La procédure de mise sous tension avec résistance série ne semble pas contradictoire avec ce que dit la théorie, mais notre expérience pratique est limitée.
L'onduleur lui même ne dispose t-il pas d'un asservissement du courant d'entrée ?
Pour le courant de sortie de toute façon c'est le cas comme pour tous les convertisseurs, la limitation d'intensité est confirmée par le document commercial.
La procédure de mise hors tension semble également être conforme à l'usage du convertisseur, mais sans notice d'emploi on ne peut être davantage affirmatif.
Le document que vous avez joint évoque juste les protections tant en entrée qu'en sortie et les caractéristiques générales.
A ce stade on ne pourra pas aller plus loin, l'onduleur est juste une boite noire orange dont seules les connexions externes sont accessibles. La notice commerciale ne précise aucune procédure de mise sous et hors tension. Il faudrait voir ce que précise la notice d'emploi du convertisseur.
Si vous n'êtes pas du métier et sans moyens de mesurage on ne voit pas comment vous pourriez résoudre les problèmes qui affectent l'équipement.
Ce qui est certain est que le semi-conducteur explosé pourrait être remplacé, mais si la commande est en cause, la panne ne sera pas résolue pour autant. C'est pour cela que l'onduleur risque de finir en déchèterie.
On regrette bien de ne pouvoir vous aider davantage. Devant l'écran nous avons juste les moyens d'un forum d'entraide pour donner quelques pistes, mais on ne peut approfondir.
La conclusion est qu'il faut vous référer à la notice d'emploi du convertisseur, le document commercial est insuffisant.
Et au besoin, vous adresser à un industriel compétent.
Cordialement.
Avant d'industrialiser le système il faut le mettre au point bien évidemment.
Si vous êtes dans le métier avec les moyens d'un laboratoire ce devrait être faisable.
Le problème est que l'observation extérieure du système ne permet aucune investigation.
La procédure de mise sous tension avec résistance série ne semble pas contradictoire avec ce que dit la théorie, mais notre expérience pratique est limitée.
L'onduleur lui même ne dispose t-il pas d'un asservissement du courant d'entrée ?
Pour le courant de sortie de toute façon c'est le cas comme pour tous les convertisseurs, la limitation d'intensité est confirmée par le document commercial.
La procédure de mise hors tension semble également être conforme à l'usage du convertisseur, mais sans notice d'emploi on ne peut être davantage affirmatif.
Le document que vous avez joint évoque juste les protections tant en entrée qu'en sortie et les caractéristiques générales.
A ce stade on ne pourra pas aller plus loin, l'onduleur est juste une boite noire orange dont seules les connexions externes sont accessibles. La notice commerciale ne précise aucune procédure de mise sous et hors tension. Il faudrait voir ce que précise la notice d'emploi du convertisseur.
Si vous n'êtes pas du métier et sans moyens de mesurage on ne voit pas comment vous pourriez résoudre les problèmes qui affectent l'équipement.
Ce qui est certain est que le semi-conducteur explosé pourrait être remplacé, mais si la commande est en cause, la panne ne sera pas résolue pour autant. C'est pour cela que l'onduleur risque de finir en déchèterie.
On regrette bien de ne pouvoir vous aider davantage. Devant l'écran nous avons juste les moyens d'un forum d'entraide pour donner quelques pistes, mais on ne peut approfondir.
La conclusion est qu'il faut vous référer à la notice d'emploi du convertisseur, le document commercial est insuffisant.
Et au besoin, vous adresser à un industriel compétent.
Cordialement.
05 février 2026 à 12:58
Pour poser une réponse, vous devez être identifié.
Si vous ne possédez pas de compte, créez-en un ICI.
Si vous ne possédez pas de compte, créez-en un ICI.
Questions apparentées dans le forum Électricité
- 1. Connecter un onduleur Victron Multiplus II 24V
- N°25742 : Bonjour. Je souhaite utiliser un convertisseur Victron Multiplus II 24V pour alimenter mon réseau domestique avec des panneaux solaires. Les batteries prendront le relais en cas de coupure de courant. Voici le schéma de mon...
- 2. Baisse de tension indépendant du réseau électrique sur batteries
- N°14396 : Bonjour à tous. Je suis nouveau sur ce forum. Voici ma situation : Je suis entièrement indépendant du réseau électrique. J'ai une banque de batteries de 1100 Ah en 12v, un inverteur de 3000W avec surge de 9000W (mais...
- 3. Comment savoir si je charge la batterie d'un onduleur
- N°18613 : Bonjour, Comment savoir si je recharge ma batterie sur mon onduleur UPS MGE Protection Center 500, y a t-il un moyen de savoir si la batterie est bien en charge c'est d'utiliser les prises secourues les voyants ou le voyant...
- 4. Peut-on brancher un micro-onduleur directement au tableau électrique
- N°12536 : Bonjour ! SVP, peut-on brancher un micro-onduleur directement au tableau électrique avant fusible pour un poste précis. Par exemple : prises frigos,congélateurs, petit électroménager ? Le surplus fait-il tourner le...
- 5. Avis câblage secours onduleur
- N°20130 : Bonjour. Je suis entrain de mettre en place un tableau électrique pour une salle serveur (perso). Et je souhaite mettre en place une alimentation de secours en cas de défaillance de l'onduleur principal. Donc je pensais...
- 6. Problème onduleur et disjoncteur
- N°22454 : Bonjour. J'aurais besoin de vos lumières sur un sujet qui me dépasse. J'ai un onduleur 10 kVA sur lequel j'ai du matériel informatique. Excusez-moi d'entrée de jeu si je n'utilise pas les bons termes, je n'y connais...
- 7. Installation régime de neutre IT absence de tension entre phase et terre
- N°25711 : Bonjour. Actuellement en dépannage chez un client, on fait face à la situation suivante : Tension entre phase 1-2: 230Vac Tension entre phase 2-3: 230Vac Tension entre phase 1-3: 230Vac Tension entre phase1 - terre :...
- 8. Brancher préampli 250V onduleur sortie 10A 230V~
- N°14394 : Bonjour, Je possède un onduleur MGE Pulsar CL5 Sur l'entrée du câble de l'onduleur, que je connecte à la prise murale, est écrit 16A 250V~ Sur le sortie du câble, donc que je connecte à l'onduleur, est écrit 10A,...
- 9. Perte en ligne entre onduleur et panneaux solaires
- N°20356 : Bonjour, Je me permets d'écrire ce message car je pense être confronté à une perte importante entre les panneaux solaires que j'ai installé dans mon jardin et l'onduleur. Je ne sais pas calculer cette perte, est-ce que...
- 10. Peut-on brancher l'alim d'un onduleur sur la sortie d'un second onduleur ?
- N°22517 : Bonjour, Je ne connais pas du tout les onduleurs et voudrais savoir auprès de ceux qui s'y connaissent un peu ou beaucoup. Est-il possible de brancher l'alim d'un onduleur sur la sortie d'un second et enfin la sortie du...
- 11. Utilité d'un onduleur démarrage chaudière gaz
- N°10865 : Bonjour. Pensez-vous qu'un petit onduleur derrière un groupe électrogène pourrait être la solution pour faire fonctionner une chaudière gaz qui ne démarre pas, branchée directement avec le groupe électrogène. Merci de...
Utilisation d'un multimètre >> Consulter la fiche |
Informations sécurité Les Consignes à suivre. >> Consulter la fiche |
Normes Electriques La NF C15-100. >> Consulter la liste |
LA FIN DES LAMPES A INCANDESCENCE >> Consulter l'article |
LE VA ET VIENTFONCTIONNEMENT ET CABLAGE >> Consulter la fiche |
LE TELERUPTEURFONCTIONNEMENT ET CABLAGE >> Consulter la fiche |
Informations sur le forum Électricité
Informations sur le moteur du forum Mentions légalesMentions légales :Le contenu, textes, images, illustrations sonores, vidéos, photos, animations, logos et autres documents constituent ensemble une œuvre protégée par les lois en vigueur sur la propriété intellectuelle (article L.122-4).
Aucune exploitation commerciale ou non commerciale même partielle des données qui sont présentées sur ce site ne pourra être effectuée sans l'accord préalable et écrit de la SARL Bricovidéo.
Toute reproduction même partielle du contenu de ce site et de l'utilisation de la marque Bricovidéo sans autorisation sont interdites et donneront suite à des poursuites. >> Lire la suite















