Conseils de branchement compresseur triphasé
Actuellement
27 042
questions dans le
forum électricité
27042
Question Forum Électricité : Conseils de branchement compresseur triphasé
Bonjour à tous.
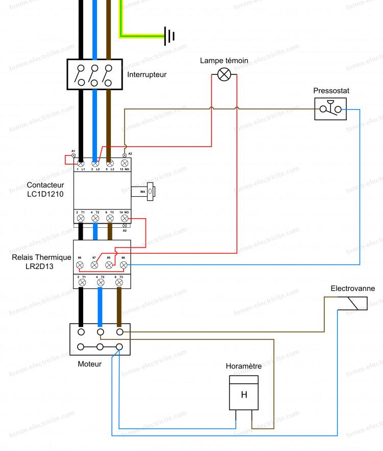
Suite à un court-circuit sur le contacteur LC1D1210 de mon compresseur, j'ai malheureusement perdu les photos du branchement.
Avant de commettre une erreur, est-ce qu'un professionnel du triphasé pourrait valider le schéma ci-joint ?
Je suis peu expérimenté en électricité mais j'ai essayé de réaliser ce schéma "dans les règles de l'art"...
Cordialement.
Gildas
Pour agrandir l'image, cliquez dessus.

Suite à un court-circuit sur le contacteur LC1D1210 de mon compresseur, j'ai malheureusement perdu les photos du branchement.
Avant de commettre une erreur, est-ce qu'un professionnel du triphasé pourrait valider le schéma ci-joint ?
Je suis peu expérimenté en électricité mais j'ai essayé de réaliser ce schéma "dans les règles de l'art"...
Cordialement.
Gildas
Pour agrandir l'image, cliquez dessus.

25 octobre 2025 à 15:10
Pour poser une réponse, vous devez être identifié.
Si vous ne possédez pas de compte, créez-en un ICI.
Si vous ne possédez pas de compte, créez-en un ICI.
Questions apparentées dans le forum Électricité
- 1. Aide pour branchement électrique compresseur
- N°14527 : Bonjour messieurs, dames, J'ai acquis récemment un très bon compresseur ENVE de 1965 de 400l, j'ai fait une très bonne affaire. Ayant constaté avec le monsieur que ce compresseur pourrait être branché sur un réseau...
- 2. Compresseur 220V triphasé en 220V monophasé
- N°13512 : Bonjour, J'ai récupéré un compresseur 220V monophasé à l'origine mais a été branché en 220V triphasé. Pouvez-vous me dire comment le rebrancher en 220V monophasé, car je n'ai pas le triphasé à la maison ? Merci.
- 3. Branchement en 220v triphasé moteur de 4kW
- N°17264 : Bonjour à tous. Avant de faire des bêtises je voudrais vos avis éclairés à propos du branchement d'un moteur dont je joins la plaque signalétique. Il s'agit d'un moteur de compresseur air comprimé (occasion qui était...
- 4. Branchement condensateur compresseur
- N°18193 : Bonjour, En nettoyant mon compresseur avec de l'eau, j'ai grillé le contacteur à côté du condensateur, alors j'ai tout démonté et je ne sais plus comment rebrancher. N'y connaissant rien en électricité je fais appel à...
- 5. Branchement compresseur triphasé
- N°12990 : Bonjour à tous. J'aurais besoin de votre aide si vous le voulez bien. J'ai acheté un compresseur triphasé, je l'ai donc branché sur la source d’énergie, problème il démarre et s’arrête aussitôt. Je vous joins...
- 6. Aide au câblage triphasé compresseur
- N°5123 : Bonjour, je dois brancher mon compresseur en 380V 3 kW 6,3A. Que faut-il comme section de câble, disjoncteur différentiel et autres ? Merci.
- 7. Brancher les fils d'un moteur de compresseur
- N°136 : Bonjour, je possède un compresseur avec un moteur électrique 220 Volts. Sur le bornier arrivent 4 fils : terre, marron, noir et bleu. Comment brancher ma prise secteur 220 Volts en 3 fils (phase, neutre, terre) ? Merci.
- 8. Brancher compresseur 380V en 220V
- N°12239 : Bonjour, Je possède un compresseur de marque Prodif 100 litres de 2002 de 380V. Je voudrai le brancher en 220V, est-ce possible et comment puis-je réaliser ça ? D'avance merci !!
- 9. Conseils pour brancher un compresseur triphasé
- N°15877 : Bonjour à tous, Après recherche je ne trouve pas réponse à mes questions, d’où ce post où je sollicite votre aide. Je vient d'acquérir un compresseur triphasé (4kW, 5,5hp, cos de 088, 7,8A) si j'ai bien lu avec une...
- 10. Branchement transformateur triphasé
- N°19612 : Bonjour à tous. Je possède un motoréducteur 24 volts triphasé AC, il est alimenté par un transformateur primaire 230 et secondaire 24V AC, sauf que je n'arrive plus à faire le branchement, je sais que le condensateur 40μF...
- 11. Branchement condensateurs permanent et démarrage
- N°24238 : Bonjour. Après avoir cherché les branchements des condensateurs permanent et de démarrage, j'ai trouvé beaucoup de versions et je n'arrive pas à trouver la logique de câblage. J'ai un moteur 380V que je passe en 230V...
Utilisation d'un multimètre >> Consulter la fiche |
Informations sécurité Les Consignes à suivre. >> Consulter la fiche |
Normes Electriques La NF C15-100. >> Consulter la liste |
LA FIN DES LAMPES A INCANDESCENCE >> Consulter l'article |
LE VA ET VIENTFONCTIONNEMENT ET CABLAGE >> Consulter la fiche |
LE TELERUPTEURFONCTIONNEMENT ET CABLAGE >> Consulter la fiche |
Informations sur le forum Électricité
Informations sur le moteur du forum Mentions légalesMentions légales :Le contenu, textes, images, illustrations sonores, vidéos, photos, animations, logos et autres documents constituent ensemble une œuvre protégée par les lois en vigueur sur la propriété intellectuelle (article L.122-4).
Aucune exploitation commerciale ou non commerciale même partielle des données qui sont présentées sur ce site ne pourra être effectuée sans l'accord préalable et écrit de la SARL Bricovidéo.
Toute reproduction même partielle du contenu de ce site et de l'utilisation de la marque Bricovidéo sans autorisation sont interdites et donneront suite à des poursuites. >> Lire la suite













